Zum Hauptinhalt springen Zur Suche springen Zur Hauptnavigation springen

Radialbohrmaschine Proton RBM-1609T

Produktinformationen "Radialbohrmaschine Proton RBM-1609T"

Die Radialbohrmaschine RBM-1609T überzeugt mit hoher Leistung und Flexibilität. Sie eignet sich ideal für präzise Bohrarbeiten bei großen Werkstücken und bietet durch ihre neun Drehzahlstufen optimale Anpassungsmöglichkeiten an verschiedene Materialien. Der Bohrkopf lässt sich sowohl vertikal als auch horizontal über Zahnstangenführung verstellen und beidseitig bis 35° schwenken – für maximale Flexibilität beim Arbeiten.

Die Ausladung wird durch das Verschieben des Bohrkopfes entlang der Säule verändert. Die massive Konstruktion mit Sockel und großem Tisch garantiert höchste Stabilität. Drei Parallelnuten im Tisch ermöglichen das sichere Spannen von Werkstücken oder Werkzeugen.

Für ein sicheres Arbeiten sorgt ein integrierter Sicherheitsschalter am Späneschutz, der die Maschine automatisch abschaltet, sobald der Schutz entfernt wird. Der Keilriemen wird bequem über den seitlichen Spannhebel über die Motorenfederung gespannt.

Eigenschaften:

  • Radialbohrmaschine mit 9 Drehzahlen für verschiedene Materialien
  • Bohrkopf horizontal und vertikal verstellbar
  • Beidseitig schwenkbar bis 35° – für maximale Flexibilität
  • Stabiler Tisch mit 3 Parallelnuten und hoher Belastbarkeit
  • Komfortable Spannvorrichtung über Spannhebel
  • Sicherheit durch höhenverstellbaren Späneschutz mit Abschaltautomatik
  • Hohe Standfestigkeit durch massiven Sockel

Ideal für Werkstätten mit hohem Anspruch an Flexibilität, Präzision und Leistung.

Bohrhub (F) mm: 85 mm
Bohrleistung in Stahl mm: 16 mm
Bohrspindel: MK2
Breite: 875 mm
Deckel-Endschalter: ja
Drehzahlen Anzahl: 9
Drehzahl min-1: 230 - 3100
Höhe: 1860 mm
Leistung W: 0.75 kW
Motor: 1-tourig
Notausschalter: ja
Schnellspannbohrfutter: ja
Spannung: 400 V
Spindelnase / Grundplatte (C) mm: 442 mm
Späneschutz: ja
Steckertyp: CEE 16/5
Säule (E) mm: 80 mm
T-Nutenbreite mm: 14 mm
Tiefe (B) mm: 850 mm
Tischbelastung kg: 250 kg
Tischbreite (I) mm: 730 mm
Tischhöhe mm: 880 mm
Tischtiefe (H) mm: 210 mm

Datenblatt (automatisch)
Bedienungsanleitung
Ersatzteilliste
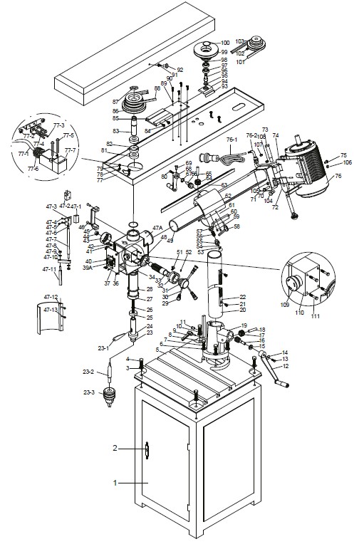
Explosionszeichnung

0 von 0 Bewertungen

Durchschnittliche Bewertung von 0 von 5 Sternen

Bewerten Sie dieses Produkt!

Teilen Sie Ihre Erfahrungen mit anderen Kunden.


Produktgalerie überspringen

passendes Zubehör

%
Schnellspannbohrfutter Proton B18
Das Schnellspannbohrfutter Proton B18 ermöglicht eine schnelle und präzise Befestigung von Bohrern im Bereich von 1 bis 16 mm. Es bietet eine maximale Rundlaufabweichung von nur 0,1 mm, was für höchste Präzision bei Bohrarbeiten sorgt. Eigenschaften:Spannbereich: 1 - 16 mm für eine Vielzahl von BohrernMaximale Rundlaufabweichung: 0,1 mm für präzises ArbeitenAufnahme: B18 für eine sichere Verbindung zur Maschine Das Schnellspannbohrfutter Proton B18 eignet sich ideal für Anwendungen, bei denen Genauigkeit und schnelle Umrüstung gefragt sind.

CHF 116.20* CHF 129.01* (9.93% gespart)
%
Reduzierhülse Proton MK4 / MK2
Totallänge 125 mm

CHF 29.75* CHF 33.00* (9.85% gespart)
%
T-Nutenstein Proton NW14
Geeignet für die Befestigung von Maschinenschraubstöcken auf Bohr- und Frästischen.

CHF 16.20* CHF 18.00* (10% gespart)
%
Spannwerkzeug-Satz Proton NW14, M12
Der Spannwerkzeugsatz Proton NW14 ist die perfekte Lösung für das präzise Spannen von Werkstücken, Vorrichtungen und Werkzeugen auf T-Nutentischen mit einer T-Nutenbreite von 14 mm. Ausgestattet mit allen notwendigen Komponenten, ist dieser Satz ein vielseitiges Werkzeug für professionelle Anwendungen. Eigenschaften: Für T-Nutentische mit 14 mm NutbreitePassend für M12-GewindeRobuste Wandhalterung aus Metall (355 x 200 mm) zur einfachen und sicheren AufbewahrungSpanneisen mit Treppenzähnen und passenden Schlitzbreiten für sicheren HaltVerschiedene Gewindestangen in unterschiedlichen Längen zur flexiblen Anpassung der SpannhöheDrei verschiedene Spannunterlagen zur präzisen Höhenanpassung Lieferumfang: 1x Wandhalterung (355 x 200 mm)6x Mutter mit Flansch M126x T-Nutenstein (L28 x B22 x H16 mm, b14 / h8)4x Langmutter M12 x 32 mm4x Gewindestab M12 x 75 mm4x Gewindestab M12 x 100 mm4x Gewindestab M12 x 125 mm4x Gewindestab M12 x 150 mm4x Gewindestab M12 x 175 mm4x Gewindestab M12 x 200 mm4x Spanneisen mit Treppenzähnen (T13 x B30 x L65 mm, Schlitzbreite 15 mm)4x Spanneisen mit Treppenzähnen (T18 x B32 x L100 mm, Schlitzbreite 15 mm)4x Spanneisen mit Treppenzähnen (T22 x B32 x L150 mm, Schlitzbreite 15 mm)2x Spannunterlage (T18 x B25 x H30 mm)2x Spannunterlage (T25 x B30 x H47 mm)2x Spannunterlage (T25 x B60 x H97 mm) Ein ideales Spannsystem für T-Nutentische mit 14 mm Nutbreite, das sich besonders für Werkstätten und professionelle Anwendungen eignet.

CHF 179.20* CHF 199.00* (9.95% gespart)
%
Kegeldorn Proton MK2 / B16
Der Kegeldorn Proton MK2 / B16 ist ein praktischer Aufnahmedorn für Bohrfutter, ausgestattet mit Austreiblappen. Er ermöglicht eine stabile und sichere Befestigung von Bohrfuttern auf Maschinen mit Morsekonus. Eigenschaften: Aufnahmedorn für Bohrfutter mit AustreiblappenIdeal für Maschinen mit Morsekonus Technische Daten: Morsekonus: 2 MKAufnahme: B16 Dieser Kegeldorn bietet eine zuverlässige und präzise Verbindung für Ihre Bohrfutter, um eine hohe Arbeitsgenauigkeit zu gewährleisten.

CHF 19.80* CHF 22.00* (10% gespart)
%
Kegeldorn Proton MK2 / B18
Der Kegeldorn Proton MK2 / B18 ist ein hochwertiger Aufnahmedorn für Bohrfutter, ausgestattet mit Austreiblappen. Er sorgt für eine stabile und sichere Befestigung auf Maschinen mit Morsekonus. Eigenschaften: Aufnahmedorn für Bohrfutter mit AustreiblappenIdeal für Maschinen mit Morsekonus Technische Daten: Morsekonus: 2 MKAufnahme: B18 Mit diesem Kegeldorn gewährleisten Sie eine präzise Verbindung für Ihre Bohrfutter, die hohe Genauigkeit und eine zuverlässige Leistung bietet.

CHF 19.80* CHF 22.00* (10% gespart)
%
Einhand Konusaustreiber Proton MK1-MK3
Für einfaches, schnelles und schonendes Austreiben.

CHF 80.10* CHF 89.00* (10% gespart)
%
Reduzierhülse Proton MK2 / MK1
Totallänge 90 mm

CHF 19.80* CHF 22.00* (10% gespart)
%
Maschinenschraubstock Proton Backenbreite 80 mm
Der kompakte Schraubstock ist ideal für kleinere Bohr- und Fräsarbeiten, bei denen eine zuverlässige Fixierung gefragt ist. Dank seiner leichten Bauweise lässt er sich flexibel einsetzen und passt auf viele gängige Maschinen mit 12 mm T-Nuten. Trotz der kompakten Ausführung ist der Schraubstock robust gefertigt und bietet eine gute Spannkraft für präzises Arbeiten an flachen oder rechteckigen Werkstücken. Eigenschaften: Aus massivem Stahlguss gefertigtHohe Stabilität und lange LebensdauerBeidseitige Prismenbacken für sicheren HaltKompakte und stabile Ausführung (Tiefe: 27 mm)Vielseitig einsetzbar für verschiedene WerkstückgrössenEinfache und flexible Befestigung auf verschiedenen Maschinen Der Schraubstock eignet sich besonders gut für kleinere Werkstücke und Anwendungen, bei denen Flexibilität und einfache Handhabung gefragt sind.

CHF 71.10* CHF 79.00* (10% gespart)
%
Maschinenschraubstock Proton Backenbreite 100 mm
Die kompakte Ausführung mit 100 mm Backenbreite ist ideal für kleinere bis mittlere Bohr- und Fräsarbeiten. Dank seiner leichten Bauweise lässt sich der Schraubstock vielseitig einsetzen und eignet sich besonders für Werkstücke, die eine zuverlässige Fixierung bei begrenztem Platzbedarf erfordern. Gefertigt aus robustem Material, bietet er eine solide Spannkraft und lässt sich einfach auf Maschinen mit 12 mm T-Nuten montieren. Eigenschaften: Leichte, kompakte BauweiseRobuste Ausführung für eine lange LebensdauerBeidseitige Prismenbacken für sicheren HaltEinfache und flexible Befestigung auf Maschinen mit 12 mm T-NutenHohe Stabilität bei gleichzeitig geringem GewichtVielseitig einsetzbar für verschiedene Werkstückgrössen und Anwendungen Der Schraubstock eignet sich hervorragend für präzises Arbeiten in Werkstätten mit begrenztem Raum und ist eine praktische Ergänzung für verschiedenste Maschinen.

CHF 89.10* CHF 99.00* (10% gespart)
%
Maschinenschraubstock Proton Backenbreite 83 mm
Der Maschinenschraubstock Proton mit einer Backenbreite von 83 mm ist eine robuste und vielseitige Spannlösung, die sich ideal für Bohrmaschinen sowie Bohr- und Fräsmaschinen eignet. Hergestellt aus massivem Stahlguss, bietet der Schraubstock eine hohe Stabilität und Langlebigkeit für präzises Arbeiten in jeder Werkstatt. Dank der universellen Befestigungsmöglichkeiten lässt sich der Schraubstock flexibel auf verschiedenen Maschinen montieren. Beide Backen sind geschliffen und mit Prismen sowie Auflageflächen ausgestattet, was eine sichere Fixierung von flachen oder rechteckigen Werkstücken ermöglicht. Eigenschaften: Aus massivem Stahlguss gefertigt für hohe StabilitätBeidseitige Prismenbacken für sicheren HaltUniverselle BefestigungsmöglichkeitenKompakte und stabile Bauweise (Tiefe: 26 mm)Geeignet für flache und rechteckige Werkstücke Dieser Maschinenschraubstock eignet sich hervorragend für präzise Spannarbeiten und ist eine wertvolle Ergänzung für Werkstätten mit unterschiedlichen Maschinenmodellen.

CHF 98.15* CHF 109.01* (9.96% gespart)
%
Maschinenschraubstock Proton Backenbreite 105 mm
Der Maschinenschraubstock Proton mit einer Backenbreite von 105 mm ist eine zuverlässige Spannlösung für Bohr- und Fräsmaschinen. Hergestellt aus massivem Stahlguss bietet er eine hohe Stabilität und Präzision, ideal für Werkstücke, die eine sichere Fixierung erfordern. Dank der universellen Befestigungsmöglichkeiten kann der Schraubstock problemlos auf Maschinen mit 12 mm T-Nuten montiert werden. Beide Backen sind geschliffen und mit Prismen sowie Auflageflächen ausgestattet, um flache und runde Werkstücke zuverlässig zu spannen. Eigenschaften: Robuste Ausführung aus massivem StahlgussBackenbreite: 105 mmBeidseitige Prismenbacken für sicheren HaltUniverselle BefestigungsmöglichkeitenKompakte und stabile Bauweise (Tiefe: 32 mm)Geeignet für präzises Arbeiten an flachen und runden Werkstücken Der Schraubstock eignet sich ideal für den Einsatz an Bohrmaschinen und Fräsmaschinen, bei denen eine zuverlässige Fixierung und hohe Präzision gefragt sind.

CHF 143.10* CHF 158.99* (9.99% gespart)
%
Maschinenschraubstock Proton Backenbreite 130 mm
Der Maschinenschraubstock Proton mit einer Backenbreite von 130 mm ist die ideale Lösung für eine zuverlässige Spannkraft bei Bohr- und Fräsarbeiten. Aus massivem Stahlguss gefertigt, bietet er hohe Stabilität und lange Lebensdauer, wodurch er besonders für präzises Arbeiten an grösseren Werkstücken geeignet ist. Mit universellen Befestigungsmöglichkeiten lässt sich der Schraubstock problemlos auf Maschinen mit 14 mm T-Nuten montieren. Beide Backen sind geschliffen und mit Prismen sowie Auflageflächen versehen, um eine sichere Fixierung auch von flachen Werkstücken zu gewährleisten. Eigenschaften: Robuste Ausführung aus massivem StahlgussBackenbreite: 130 mmBeidseitige Prismenbacken für sicheren HaltUniverselle BefestigungsmöglichkeitenKompakte und stabile Bauweise (Tiefe: 38 mm)Geeignet für präzises Arbeiten an grösseren Werkstücken Der Schraubstock eignet sich optimal für Bohr- und Fräsmaschinen und bietet eine hohe Spannkraft, die eine präzise Bearbeitung auch bei grösseren Werkstücken ermöglicht.

CHF 179.20* CHF 199.00* (9.95% gespart)
%
Maschinenschraubstock Proton Backenbreite 156 mm
Der Maschinenschraubstock Proton ist eine robuste und vielseitige Spannlösung für den Einsatz an Bohr- und Fräsmaschinen. Gefertigt aus massivem Stahlguss, überzeugt er durch hohe Stabilität und eine lange Lebensdauer – ideal für präzises Arbeiten im Werkstattalltag. Dank der universellen Befestigungsmöglichkeiten lässt sich der Schraubstock einfach und flexibel auf verschiedenen Maschinentischen montieren. Beide Backen sind geschliffen und mit Prismen sowie Auflageflächen versehen, was eine sichere Fixierung auch von flachen oder runden Werkstücken ermöglicht. Eigenschaften: Aus massivem Stahlguss gefertigt Backenbreite: 156 mm Beidseitige Prismenbacken für sicheren Halt Kompakte und stabile Ausführung (Tiefe: 38 mm) Der Schraubstock eignet sich optimal für präzise Spannarbeiten bei Bohr- und Fräsmaschinen.

CHF 206.10* CHF 229.00* (10% gespart)
%
Schnellspann-Schraubstock Proton Backenbreite 105 mm
Der Schnellspann-Schraubstock Proton mit einer Backenbreite von 105 mm ist eine ideale Lösung für schnelle und präzise Spannarbeiten. Aus massivem Stahl gefertigt, bietet er eine hohe Stabilität und eine lange Lebensdauer. Durch den praktischen Arretierungshebel lässt sich der Schraubstock schnell und einfach verstellen, was eine effiziente Handhabung bei verschiedenen Bohr- und Fräsarbeiten ermöglicht. Mit universellen Befestigungsmöglichkeiten ist der Schraubstock auf Maschinen mit 14 mm T-Nuten montierbar. Beide Backen sind mit Prismen und Auflageflächen ausgestattet, um eine sichere Fixierung auch bei flachen Werkstücken zu gewährleisten. Eigenschaften: Robuste Ausführung aus massivem StahlSchnellspannmechanismus mit Arretierungshebel für einfache HandhabungBackenbreite: 105 mmBeidseitige Prismenbacken für sicheren HaltUniverselle BefestigungsmöglichkeitenKompakte und stabile Bauweise (Tiefe: 30 mm) Dieser Schnellspann-Schraubstock ist ideal für schnelle und präzise Spannarbeiten, bei denen Flexibilität und einfache Handhabung gefragt sind. Er ist die perfekte Ergänzung für Bohr- und Fräsmaschinen.

CHF 170.20* CHF 189.00* (9.95% gespart)
%
Schnellspann-Schraubstock Proton Backenbreite 156 mm
Der Schnellspann-Schraubstock Proton mit einer Backenbreite von 156 mm ist eine hochwertige Lösung für schnelle und präzise Spannarbeiten. Hergestellt aus massivem Stahl, zeichnet sich dieser Schraubstock durch seine hohe Stabilität und Langlebigkeit aus. Mit dem praktischen Arretierungshebel lässt sich der Schraubstock schnell und einfach verstellen, was eine effiziente Handhabung bei verschiedenen Anwendungen ermöglicht. Dank universeller Befestigungsmöglichkeiten kann der Schnellspann-Schraubstock auf Maschinen mit 16 mm T-Nuten montiert werden. Beide Backen sind mit Prismen und Auflageflächen versehen, was eine sichere Fixierung auch bei flachen oder unregelmässigen Werkstücken garantiert. Eigenschaften: Robuste Ausführung aus massivem StahlSchnellspannmechanismus mit Arretierungshebel für einfache HandhabungBackenbreite: 156 mmBeidseitige Prismenbacken für sicheren HaltUniverselle BefestigungsmöglichkeitenKompakte und stabile Bauweise (Tiefe: 38 mm) Dieser Schnellspann-Schraubstock ist die perfekte Wahl für schnelle, präzise Spannarbeiten und eignet sich hervorragend für Bohr- und Fräsmaschinen.

CHF 224.10* CHF 249.00* (10% gespart)
%
3-Positionen Maschinenschraubstock Proton 100 mm
Der 3-Positionen Maschinenschraubstock Proton ist eine vielseitige Spannlösung für verschiedene Anwendungen. Mit drei Aufspannmöglichkeiten – Grund-, Rechts- und Stirnseitig – bietet dieser Schraubstock eine hohe Flexibilität bei der Bearbeitung von Werkstücken. Dank der zwei zusätzlich bearbeiteten Arbeitsflächen aus massivem Stahlguss wird eine noch stabilere und präzisere Fixierung ermöglicht. Die universellen Befestigungsmöglichkeiten erlauben eine einfache Montage auf vielen gängigen Maschinen. Die Backen sind geschliffen und mit Prismen sowie Auflageflächen ausgestattet, was eine zuverlässige Fixierung von flachen oder rechteckigen Werkstücken garantiert. Eigenschaften: Drei Aufspannmöglichkeiten: Grund-, Rechts- und StirnseitigAus massivem Stahlguss gefertigt für hohe StabilitätBeidseitige Prismenbacken für sicheren HaltUniverselle BefestigungsmöglichkeitenKompakte und stabile Bauweise (Tiefe: 30 mm) Dieser 3-Positionen Maschinenschraubstock eignet sich hervorragend für vielseitige Spannarbeiten und ist eine wertvolle Ergänzung für jede Werkstatt, insbesondere bei der Bearbeitung von flachen Werkstücken.

CHF 143.10* CHF 158.99* (9.99% gespart)
Produktgalerie überspringen

Ersatzteile

%
Neu
Griffknopf Proton zu RBM-1609T
Pos 29

CHF 10.10* CHF 11.20* (9.82% gespart)
%
Neu
Zentralstück Proton zu RBM-1609T
Pos 31

CHF 38.90* CHF 43.20* (9.95% gespart)
%
Neu
Ein-/Ausschalter Proton zu RBM-1609T
Pos 39A

CHF 97.20* CHF 108.00* (10% gespart)
%
Neu
Rückzugfeder Proton zu RBM-1609T
Pos 43

CHF 21.00* CHF 23.30* (9.87% gespart)
%
Neu
Späneschutz komplett Proton zu RBM-1609T
Pos 47.1-47.13

CHF 86.95* CHF 96.60* (9.99% gespart)
%
Neu
Schalterbox Proton zu RBM-1609T
Pos 47-3

CHF 8.30* CHF 9.20* (9.78% gespart)
%
Neu
Kurbel Proton zu RBM-1609T
Pos 68

CHF 17.50* CHF 19.40* (9.79% gespart)
%
Neu
Motor Proton zu RBM-1609T
Pos 76

CHF 389.00* CHF 431.40* (9.83% gespart)
%
Neu
Mikroschalter Proton zu RBM-1609T
Pos 77-7

CHF 66.65* CHF 74.00* (9.93% gespart)
%
Neu
Keilriemen Proton zu RBM-1609T
Pos 88

CHF 24.15* CHF 26.80* (9.89% gespart)
%
Neu
Keilriemen Proton zu RBM-1609T
Pos 101

CHF 18.90* CHF 21.00* (10% gespart)
%
Neu
Not-/Ausschalter Proton zu RBM-1609T
Pos 109

CHF 48.60* CHF 54.00* (10% gespart)
%
Neu
Schalterkasten Proton zu RBM-1609T
Pos 110

CHF 14.05* CHF 15.60* (9.94% gespart)