Zum Hauptinhalt springen Zur Suche springen Zur Hauptnavigation springen
Menü

Metallbandsäge Proton BSS-223-VT

Jetzt Metallbandsäge Proton BSS-223-VT (Proton) für nur CHF 5’031.00 auf Lagerdirekt.ch kaufen ★ Blitzversand ✓ Top-Qualität ✓
Beschreibung

Produktinformationen "Metallbandsäge Proton BSS-223-VT"

Die Proton BSS-223-VT ist eine leistungsstarke, stationäre Metallbandsäge mit stufenloser Geschwindigkeitseinstellung. Die Absenkung kann sowohl hydraulisch als auch manuell erfolgen, wodurch sich die Maschine flexibel an verschiedene Anwendungen anpassen lässt. Dank der kugelgelagerten Schraubstockführung ist eine exakte Feinjustierung möglich, und die Bandbruchabschaltung sorgt für maximale Sicherheit. Der Sägearm ist nach rechts bis zu 60° schwenkbar, was vielseitige Gehrungsschnitte ermöglicht.

Technische Highlights:

Kugelgelagerte Bandführungen – Erhöhen die Präzision und Langlebigkeit.
Kühlmittelsystem integriert – Gewährleistet saubere und effiziente Schnitte.
Hydraulische oder manuelle Absenkung – Für eine flexible Arbeitsweise.
Hydraulischer Absenkzylinder – Für gleichmässige und kontrollierte Schnitte.
24-Volt-Steuerung mit Motorschutzschalter – Erhöht die Betriebssicherheit.
Kugelgelagerte Schraubstockführung – Für exakte Fixierung und einfaches Handling.
Sägearm schwenkbar bis 60° nach rechts – Ideal für Gehrungsschnitte.
Spanndruckmanometer – Für eine kontrollierte Materialspannung.
Bandbruchabschaltung – Stoppt die Maschine bei Bandriss automatisch.
Spritzschutzbleche – Verhindern das Austreten von Spänen und Kühlmittel.

Die Proton BSS-223-VT ist die ideale Metallbandsäge für Werkstätten, die Wert auf Präzision, Sicherheit und Flexibilität legen. Dank der stufenlosen Geschwindigkeitseinstellung und der hochwertigen Komponenten eignet sie sich für unterschiedlichste Anwendungen und Materialien.


Datenblatt (automatisch)
Bedienungsanleitung
Ersatzteilliste
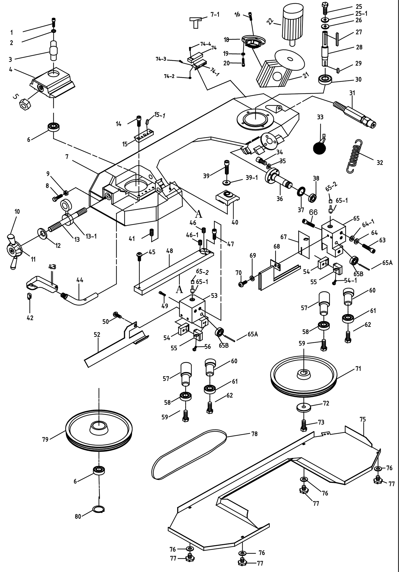
Explosionszeichnung
Eigenschaften
Absenkung hydraulisch: ja
Absenkung manuell: ja
Band / Blattgeschwindigkeit: 30 - 80
Bandbruchabschaltung: ja
Einstellung stufenlos Geschwindigkeit: ja
Fahrbar: nein
Kühlsystem integriert: ja
Leistung W: 1.13 kW
Motor Kühlwasserpumpe kW: 0.125 kW
Schnittbereich quadratisch 45° links mm: 190 mm
Schnittbereich quadratisch 60° rechts mm: 130 mm
Schnittbereich quadratisch 90° mm: 200 mm
Schnittbereich rechteckig 45° links mm: 190 x 190
Schnittbereich rechteckig 45° rechts mm: 145 x 210
Schnittbereich rechteckig 60° rechts mm: 90 x 180
Schnittbereich rechteckig 90° mm: 240 x 150
Schnittbereich rund 45° links mm: 190 mm
Schnittbereich rund 45° rechts mm: 145 mm
Schnittbereich rund 60°: 90 mm
Schnittbereich rund 90° mm: 220 mm
Schnittkapazität quadratisch 45° rechts: 215 mm
Sockel inkl.: ja
Spanndruckmanometer: ja
Spannstocköffnung mm: 240 mm
Spannung: 400 V
Steckertyp: CEE 16/5
Sägearm schwenkbar °: 60 °
Sägeband inkl.: ja
Sägebandmass mm: 2460 x 27 x 0.9
Tischhöhe mm: 920 mm
Hersteller

Proton

Werkstattausstattung von Proton

Sie sind auf der Suche nach hochwertigem Werkzeug für Ihr Lager oder Ihre Werkstatt? Vertrauen Sie auf die Produkte von Proton. Von Metallbandsägen über Industriesauger, Tischbohrmaschinen und Luftreiniger - Proton weiss, was in keiner guten Werkstatt fehlen darf. In unserem Sortiment finden Sie deshalb eine grosse Auswahl an Proton Werkzeug, das sich durch Langlebigkeit und Qualität auszeichnet. Sie sind unsicher, welches Produkt sich am besten für Ihre Zwecke eignet? Zögern Sie nicht, unser Team zu kontaktieren. Wir stehen Ihnen gerne mit Rat zur Seite, damit Sie auch garantiert das richtige Proton Werkzeug für Ihren Betrieb auswählen.

Hersteller-Webseite
Bewertungen
0

0 von 0 Bewertungen

Durchschnittliche Bewertung von 0 von 5 Sternen

Bewerten Sie dieses Produkt!

Teilen Sie Ihre Erfahrungen mit anderen Kunden.


Produktgalerie überspringen

passendes Zubehör

9.95 %
Metall-Bandsägeblatt Proton 2460 x 27 x 0.9 mm, Z 4/6
Metall-Bandsägeblatt Proton 2460 x 27 x 0.9 mm, Z 4/6
Das M42 Bi-Metall Sägeband bietet eine hohe Lebensdauer, minimalen Verschleiss und hervorragende Widerstandsfähigkeit. Durch die Zahnhärte und Anlassbeständigkeit der Zahnspitzen aus HSS-Kobalt-Molybdän (67-69 HRc) sind längere Standzeiten auch bei höheren Schnittgeschwindigkeiten und grossem Vorschub gewährleistet. Mit exzellenter Wärmebeständigkeit sorgt es für gleichbleibende Leistung, unabhängig vom verwendeten Kühlschmierstoff. Perfekt geeignet für die Bearbeitung aller gängigen Stahlsorten bis 45 HRc und sorgt für exakte und saubere Schnitte in unterschiedlichsten Materialien. Deine Vorteile: ✔ Langlebig & verschleissarm – wirtschaftlich und effizient. ✔ Hohe Präzision & Widerstandsfähigkeit – für anspruchsvolle Schnitte. ✔ Vielseitig einsetzbar – für Baustähle, rostfreie Stähle, Werkzeugstähle, Guss sowie Nichteisen-Metalle (Aluminium, Kupfer, Messing). ✔ Ideal für verschiedene Anwendungen – Vollmaterial, Profile, Rohre, Bündel und Konturen. Technische Details: • Sägebandmass: 2460 x 27 x 0.9 mm • Zahnteilung: 4/6 • Materialtyp: Bi-Metall M42 • Anwendung: Stahl Für zuverlässige und präzise Schnitte – auch bei höchsten Anforderungen!

CHF 88.25* CHF 98.00*
9.95 %
Metall-Bandsägeblatt Proton 2460 x 27 x 0.9 mm, Z 6/10
Metall-Bandsägeblatt Proton 2460 x 27 x 0.9 mm, Z 6/10
Das M42 Bi-Metall Sägeband bietet eine hohe Lebensdauer und minimalen Verschleiss. Es ist widerstandsfähig und präzise, dank der Zahnhärte und Anlassbeständigkeit der Zahnspitzen aus HSS-Kobalt-Molybdän (67-69 HRc). Dadurch sind längere Standzeiten auch bei höheren Schnittgeschwindigkeiten und grösseren Vorschüben gewährleistet. Dank exzellenter Wärmebeständigkeit liefert es konstant hohe Leistung, unabhängig vom verwendeten Kühlschmierstoff. Es eignet sich perfekt für die Bearbeitung aller gängigen Stahlsorten bis zu einer Härte von 45 HRc und sorgt für präzise und saubere Schnitte in verschiedenen Materialien. Deine Vorteile: ✔ Langlebig & verschleissarm – wirtschaftlich und effizient. ✔ Hohe Präzision & Widerstandsfähigkeit – für anspruchsvolle Schnitte. ✔ Vielseitig einsetzbar – für Baustähle, rostfreie Stähle, Werkzeugstähle, Guss sowie Nichteisen-Metalle (Aluminium, Kupfer, Messing). ✔ Ideal für verschiedene Anwendungen – Vollmaterial, Profile, Rohre, Bündel und Konturen. Technische Details: • Sägebandmass: 2460 x 27 x 0.9 mm • Zahnteilung: 6/10 • Materialtyp: Bi-Metall M42 • Anwendung: Stahl Für zuverlässige und präzise Schnitte – auch bei höchsten Anforderungen!

CHF 88.25* CHF 98.00*
9.95 %
Metall-Bandsägeblatt Proton 2460 x 27 x 0.9 mm, Z 10/14
Metall-Bandsägeblatt Proton 2460 x 27 x 0.9 mm, Z 10/14
Das M42 Bi-Metall Sägeband überzeugt durch seine hohe Lebensdauer, minimalen Verschleiss und präzise Schnitte. Dank der extrem widerstandsfähigen HSS-Kobalt-Molybdän-Zahnspitzen (67-69 HRc) bietet es eine längere Standzeit selbst bei hohen Schnittgeschwindigkeiten und grossem Vorschub. Durch seine hohe Wärmebeständigkeit bleibt die Leistung konstant – unabhängig vom verwendeten Kühlschmierstoff. Perfekt für die Zerspanung aller gängigen Stahlsorten bis 45 HRc, sorgt es für saubere und exakte Schnitte in unterschiedlichste Materialien. Deine Vorteile: ✔ Lange Lebensdauer, geringer Verschleiss – für wirtschaftliches Arbeiten. ✔ Präzise & widerstandsfähig – für anspruchsvolle Werkstoffe. ✔ Vielseitig einsetzbar – ideal für Baustähle, rostfreie Stähle, Werkzeugstähle, Guss sowie Nichteisen-Metalle wie Aluminium, Kupfer und Messing. ✔ Optimal für verschiedene Anwendungen – geeignet für Vollmaterial, Profile, Rohre, Bündel und Konturen. Technische Details: • Sägebandmass: 2460 x 27 x 0.9 mm • Zahnteilung: 10/14 • Materialtyp: Bi-Metall M42 • Geeignet für: Stahl Für zuverlässige und präzise Schnitte – auch bei höchsten Anforderungen!

CHF 88.25* CHF 98.00*
9.97 %
Metall-Bandsägeblatt Proton 2460 x 27 x 0.9 mm, Z 14
Metall-Bandsägeblatt Proton 2460 x 27 x 0.9 mm, Z 14
Das M42 Bi-Metall Sägeband überzeugt durch seine hohe Lebensdauer, minimalen Verschleiss und präzise Schnitte. Dank der extrem widerstandsfähigen HSS-Kobalt-Molybdän-Zahnspitzen (67-69 HRc) bietet es eine längere Standzeit selbst bei hohen Schnittgeschwindigkeiten und grossem Vorschub. Durch seine hohe Wärmebeständigkeit bleibt die Leistung konstant – unabhängig vom verwendeten Kühlschmierstoff. Perfekt für die Zerspanung aller gängigen Stahlsorten bis 45 HRc, sorgt es für saubere und exakte Schnitte in unterschiedlichste Materialien. Deine Vorteile: ✔ Lange Lebensdauer, geringer Verschleiss – für wirtschaftliches Arbeiten. ✔ Präzise & widerstandsfähig – für anspruchsvolle Werkstoffe. ✔ Vielseitig einsetzbar – ideal für Baustähle, rostfreie Stähle, Werkzeugstähle, Guss sowie Nichteisen-Metalle wie Aluminium, Kupfer und Messing. ✔ Optimal für verschiedene Anwendungen – geeignet für Vollmaterial, Profile, Rohre, Bündel und Konturen. Technische Details: • Sägebandmass: 2460 x 27 x 0.9 mm • Zahnteilung: 14 • Materialtyp: Bi-Metall M42 • Geeignet für: Stahl Für zuverlässige und präzise Schnitte – auch bei höchsten Anforderungen!

CHF 88.55* CHF 98.36*